🔄
Piattaforma K72 - 125 | Krollit

📦 Le spedizioni Bernardo saranno sospese dal 17/12/2025 al 06/01/2026. Gli ordini restano attivi e verranno evasi dal 07/01

Chiedi un preventivo! e ottieni la migliore offerta su misura per te!

Le aziende con partita IVA devono registrarsi per accedere ai prezzi netti.

  • Zavarovanje pošiljke

  • Brezplačna pomoč in svetovanje

  • Resi senza problemi

  • Odprto 7 dni v tednu

Entra nella nostra Newsletter e approfitta del 12% di sconto sul tuo primo acquisto!

-12% con il codice: XMAS12

Solo per gli iscritti alla newsletter

Bernardo  |  SKU: 21-5002

Piattaforma K72 - 125

€171,47
Soluzione business fino a 30 rate

Consegna e Spedizione

Noi di Krollit garantiamo un processo di spedizione sicuro e affidabile. Gli ordini vengono gestiti con la massima cura e tracciabilità fino alla consegna.

Per spedizioni internazionali, ti invitiamo a inviare la richiesta tramite l’apposito form di contatto.

Al momento della consegna, firma sempre la bolla con la dicitura “con riserva di controllo”, così da permettere la corretta gestione di eventuali irregolarità o difformità del prodotto.

Il nostro obiettivo è assicurarti un servizio puntuale e un’esperienza d’acquisto senza pensieri.

Pagamento sicuro garantito

Descrizione

Proprietà

Esecuzione:

  • Piattaforma a quattro ganasce con guida in ghisa
  • Con centraggio secondo DIN 6350
  • Quattro griffe singolarmente regolabili
  • A partire da un diametro di 160 mm, la piattaforma viene montata dalla parte anteriore della flangia
  • A partire da un diametro di 300 mm, le scanalature a T vengono fresate
  • Include un kit di griffe dure e menopezzo

 

Campo di impiego:

  • Adatto per il fissaggio di pezzi asimmetrici e rettangolari su torni

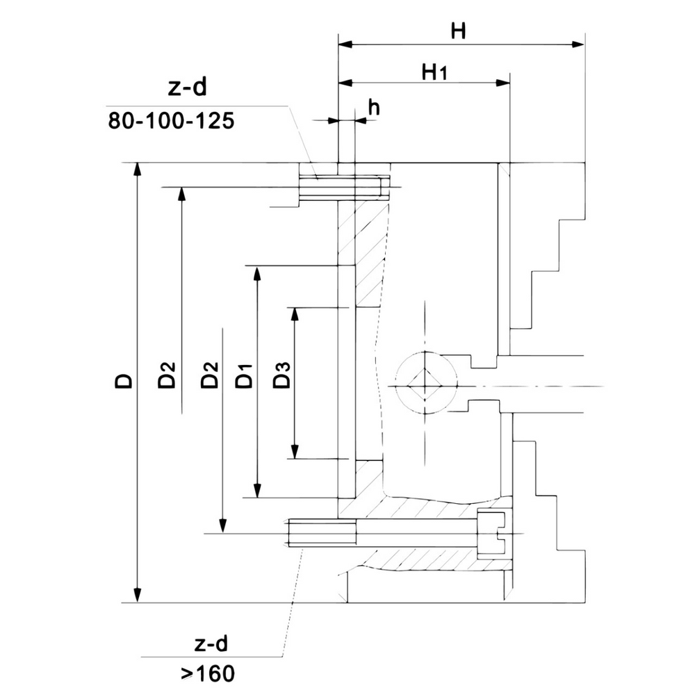
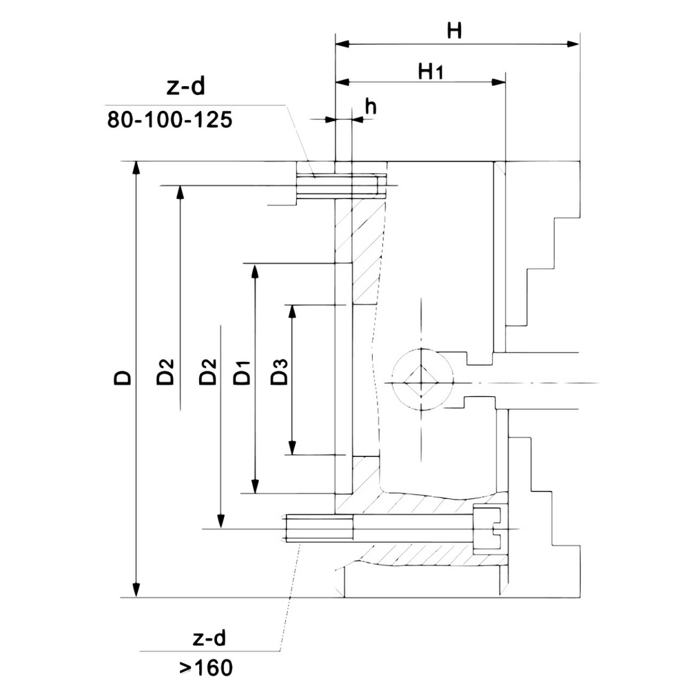
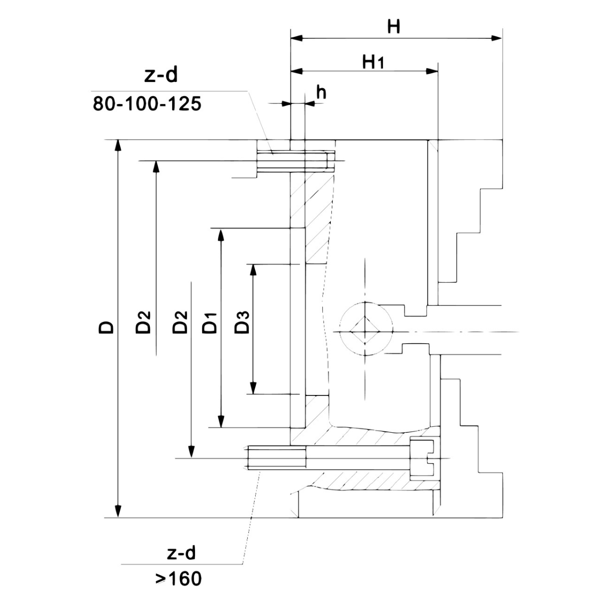
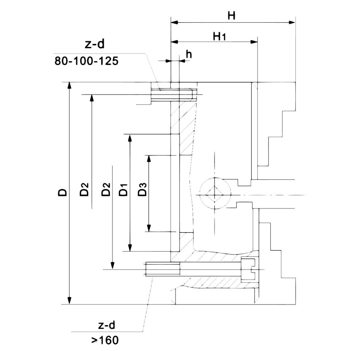
specifiche tecniche

D - Grandezza mandrino

125

D1

95 mm

D2

108 mm

D3

30 mm

h

78 mm

H1

56 mm

h

4,5 mm

Viti di montaggio

4 x M8

Velocità max.

2000 giri/min

Peso ca.

4,90 kg

Domande Frequenti

Sicurezza del prodotto

Recensioni

Customer Reviews

Be the first to write a review
0%
(0)
0%
(0)
0%
(0)
0%
(0)
0%
(0)

Welcome to Shopify Store

I act like: